+7 (912)-751-33-24Заказать звонок
Заказать звонок

Оставьте Ваше сообщение и контактные данные и наши специалисты свяжутся с Вами в ближайшее рабочее время для решения Вашего вопроса.

Ваш телефон
Ваш телефон*
Ваше имя
Ваше имя

* - Поля, обязательные для заполнения

Сообщение отправлено
Ваше сообщение успешно отправлено. В ближайшее время с Вами свяжется наш специалист
Закрыть окно
arbatex@list.ru
Каталог товаров
Подписка на новости магазина

Подпишитесь на рассылку и получайте свежие новости и акции нашего магазина.

Описание товара:

Диод ДЧ161-160-9 - быстровосстанавливающийся кремниевый диффузионный.
Предназначен для работы в цепях статических преобразователей электроэнергии постоянного и переменного токов на частотах до 16 кГц
710 руб. / шт Цена не является конечной и требует уточнения у менеджера.
Загрузка
Рассчитываем стоимость доставки
Пожалуйста подождите, рассчет займет немного времени

Описание товара

Описание


Диод ДЧ161-160-9 - быстровосстанавливающийся кремниевый диффузионный.
Предназначен для работы в цепях статических преобразователей электроэнергии постоянного и переменного токов на частотах до 16 кГц, в которых требуются малые времена обратного восстановления и малые заряды восстановления, а также в импульсных устройствах.
Выпускаются и металлокерамическом корпусе с гибким выводом, прямой и обратной (со знаком Х) полярностей.

Параметры и характеристики


Cредний прямой ток - 160 А
Импульсное обратное напряжение 900 В
Охлаждение воздушное естественное или принудительное.
Обозначение типономинала и полярность выводов приводятся на корпусе.
Тип применяемого охладителя - O171, O271, OM101.
Масса диода не более 290 г.

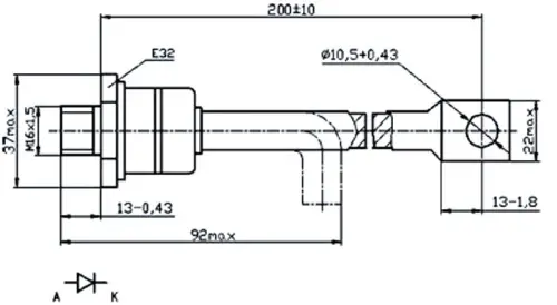
Габаритные размеры:
- общая длина - 220 мм
- длина шпильки - 13 мм
- резьба - М16

• Iпр макс, А - Максимальный прямой ток
• Uобр и макс, В - Максимальное импульсное обратное напряжение
• Uпр макс, В - Постоянное прямое напряжение
• fд макс, кГц - Максимальная рабочая частота
• fд, кГц - Рабочая частота диода
• Ioбp макс, мкА - Постоянный обратный ток
• Uoбp макс, В - Максимальное постоянное обратное напряжение
• tвoc обр, мкс - Время обратного восстановления
• Uпр и макс, В - Импульсное прямое напряжение
• Iпр ср макс, А - Максимально допустимый средний прямой ток
• Uобр и п макс, В - Максимально допустимое импульсное повторяющееся обратное напряжение
• Iпр уд макс, А - Максимально допустимый ударный ток
• Tпер макс,°C - Максимальная температура перехода
• Iобр и п макс, мА - Повторяющийся импульсный обратный ток
Добавить отзыв
Ваша оценка:
Отправить отзыв

Похожие товары (8)

710 руб. / шт Цена не является конечной и требует уточнения у менеджера.
ДЧ161-160-9 диод
Задать вопрос

Ваше имя*
Контактный телефон*
E-mail
Вопрос*

* - Поля, обязательные для заполнения

Сообщение отправлено
Ваше сообщение успешно отправлено. В ближайшее время с Вами свяжется наш специалист
Закрыть окно
Купить в один клик
Заполните данные для заказа
Запросить стоимость товара
Заполните данные для запроса цены
Запросить цену Запросить цену